Oggetti da collezione Inveruno
Novità
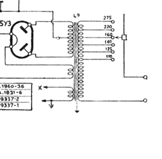
Trasformatore per radio a valvole
Trasformatore di alimentazione per radio d'epoca. - Componente elettronico per riparazioni o restauri. - Struttura metallica con avvolgimenti in rame. Primario universale con cambio tensione vedi foto, secondario con uscita 6,3 per valvole e lampadine scala parlante, 5 volt per la valvola raddrizzatrice a doppia semionda e anodica
Cintura militare italiana con fibbia
Cintura in tessuto di colore beige con fibbia metallica. Lunghezza cintura 112cm Leggermente rovinata come da foto. - Fibbia con incisione. - Tessuto resistente.
Modellino Bugatti EB110 Scala 1:18
Modellino della Bugatti EB110 in scala 1:18. ATTENZIONE, Il modello presenta dei difetti, come da foto il portellone motore è rotto e una portiera se la si apre si stacca. - Dettagli fedeli all'originale. - Colore blu brillante. Moltissimi articoli sul mio profilo
Hot Wheels Road Wars Maniax Scarface Vehicle.
Hot Wheels Road Wars Maniax Scarface Vehicle, No Gun 1995 Mancano, il personaggio e il lancer per spingere l'auto. Moltissimi articoli sul mio profilo!
Alfa Romeo F1 179 Polistil Rj 69 Scala 1/55
Polistil Rj69 Modellino di auto da Formula 1 Alfa Romeo Marlboro F1 179 Scala 1/55 lunghezza 8cm. Senza scatola. Moltissimi articoli sul mio profilo.
Mc Laren M23, scala 1/55 RJ1 Polistil
Polistil RJ1 Mc Laren M23 scala 1/55. Anno 1975 Manca adesivo rosso. Lunghezza 8cm. Senza scatola. Moltissimi articoli sul mio profilo.
Maserati 250f F1 1957 Scala 1/43
Modellino in scala 1/43 della Maserati 250f, monoposto da Formula 1. Il modello era senza bacheca, l'ho aggiunta io. - Modello da collezione. - Riproduzione fedele della monoposto del 1957. Moltissimi articoli sul mio profilo.
Diorama Dornier Do217 del 1933 precipitato
Diorama dettagliato che raffigura un Dornier 217 del 1933 precipitato. - Ambientazione realistica con rovine e vegetazione. - Modello aereo accurato. Moltissimi articoli sul mio profilo.
Graffettatrice da tavolo Zenit 526
Graffettatrice da tavolo in metallo, robusta e resistente. Ideale per ufficio o casa. Marca Zenit modello 526 - Meccanismo a leva per una facile graffettatura. - Base ampia e stabile per un utilizzo comodo. - Scala graduata per una precisa allineamento dei fogli. - Colore nero. Misure 34x6 cm Graffette da 12x6 mm. Moltissimi articoli sul mio profilo.
Articoli vintage scrivania
Vendo lotto di articoli da scrivania vintage. Perfetti per collezionisti o amanti del retrò. - Oggetti in discrete condizioni, alcuni non completi, inchiostro probabilmente asciutto, segni del tempo visibili nelle foto. Moltissimi articoli sul mio profilo.
Scalda letto antico (inizio '900)
Bellissimo scalda letto antico, risalente agli inizi del '900. Un pezzo unico per veri amanti del vintage! - Struttura in legno, robusta e ben conservata. - Elemento riscaldante in metallo. - Cavo di alimentazione incluso. - Perfetto come pezzo da collezione o elemento d'arredo. Lunghezza 118cm altezza 26cm larghezza 32cm. Consegna a mano. Moltissimi articoli sul mio profilo.
Scalda letto antico dei primi del 900
Bellissimo scalda-letto d'epoca, risalente Ai primi del 900, in legno e metallo. Perfetto come pezzo di antiquariato o complemento d'arredo. - Struttura in legno, robusta e ben conservata. - Resistenza elettrica inclusa (da verificare il funzionamento). Lunghezza 131cm, altezza 28cm, larghezza 31cm. Ritiro a mano. Moltissimi articoli sul mio profilo.
Orologio, Termometro & Barometro
Bellissimo orologio da parete in legno scuro, completo di termometro e barometro. L'orologio è in stile classico ed elegante. - Orologio con quadrante in stile vintage. - Termometro in gradi Celsius e Fahrenheit. - Barometro analogico per misurare la pressione atmosferica. - Struttura in legno di colore marrone scuro, in ottime condizioni. Altezza 82cm, larghezza 21cm, peso 2 Kg. Moltissimi articoli sul mio profilo.
Modellino Ferrari 312 PB 1/43
Bellissimo modellino da collezione della Ferrari 312 PB in scala 1/43. - Auto in scala 1/43. - Modello Ferrari 312 PB. - Colore rosso, con dettagli argentati. - In buone condizioni, presenta segni di usura dovuti al tempo.
Sveglia Radiocontrollata DCF77 - Lidl
Vendo sveglia radiocontrollata marca Lidl, modello DCF77. È in ottime condizioni, praticamente nuova. - Radiocontrollata (DCF77) - Funzione snooze - Doppia sveglia - Include batteria
Mortaio vintage in bronzo
Bellissimo mortaio probabilmente in bronzo, ricco di storia. Ideale per chi ama gli oggetti vintage. - Mortaio e pestello in bronzo. - Ottimo stato di conservazione, segni del tempo visibili ma che ne accrescono il fascino. - Perfetto come elemento decorativo o per uso amatoriale. Peso 1 kg, diametro 11cm, altezza 8cm lunghezza pestello 18cm. Moltissimi articoli sul mio profilo.
Quadro Pop Art Jessica Rabbit
Quadro pop art raffigurante Jessica Rabbit in versione regina realizzato dall’artista italiana Crys. Dipinto a mano con acrilici e vernice su tela. - colori vivaci e pieni. - misura 20x20cm, anno di realizzazione 2025 - Opera unica nel suo genere - Perfetto per aggiungere un tocco di stile alla tua casa - Ottimo come regalo - completa di certificato di autenticitá - firmato sul retro per ulteriori info contattatemi
Libro Gli Immortali - Vittorio Sgarbi
Bellissimo libro di Vittorio Sgarbi, Gli Immortali. - Edizione Rizzoli. - Copertina rigida in ottime condizioni. - Immagini nitide e di alta qualità.
Set di 6 matite Balenciaga rare da collezione
set composto da 6 matite Balenciaga rare da collezione. nuove mai usate.
Camion pompieri vintage
Camion dei pompieri credo scala 1/43, cabina in metallo il resto in plastica, nessuna marca, scala estesa 42cm, lunghezza camion 14cm, larghezza 4cm P. S. L'ultimo pezzo di scala non rimane in sede. Moltissimi articoli sul mio profilo.
Viper RT-10 scala 1.43 Burago
Modello scala 1/43 Dodge Viper RT/10 nero, Burago. Moltissimi articoli sul mio profilo.
DINKY TOYS CITROEN DS19 24c scala 1-34
Riproduzione Dinky Toys Citroen DS19 24C De Agostini Mattel, scatola 11cm NUOVA.
Orologio da parete in vetro satinato
Orologio da parete in vetro satinato, dimensioni 28x28cm
Lotto 60 adesivi anni 70-80
Lotto di 60 adesivi anni 70/80 in ottimo stato, moltissimi articoli sul mio profilo.
Lotto 36 adesivi anni 70-80
Lotto di 36 adesivi anni 70/80, moltissimi articoli sul mio profilo.

Lotto 8 adesivi grandi anni 70-80
Lotto di 8 adesivi vari anni 70/80 il più grande diametro 30cm, moltissimi articoli sul mio profilo.
Piatto decorato in porcellana
Piatto decorato in porcellana, diametro 32cm altezza 3cm peso 1,2kg come da foto presenta un piccolo graffio. Moltissimi altri articoli sun mio profilo.
Penna sfera Swarovky
Penna a sfera Swarovky, piccola graffiatura come da foto, senza scatola. Moltissimi articoli sul mio profilo.
Olivetti Divisumma 152 PD
Olivetti Divisumma, display e conteggio ok, la stampa funziona ma stampa numeri a caso. Non sapendo come funziona la vendo come da riparare. Molti articoli sul mio profilo.
Portapenne squadra Milan
Portapenne squadra Milan altezza 9,5cm diametro 7cm, regalo 2 adesivi vintage anni 80. Moltissimi articoli sul mio profilo!
Piatti stile Egizio in metallo
Piatti con decorazioni egizie in metallo diametro 29cm. Moltissimi articoli sul mio profilo.
Scatola latta grappa Rossj
Scatola latta grappa Ross nuova
Scatola latta grappa
Scatola latta grappa la grapoeria dellerborista grappa alla rosa
Scatole latta Fernet Branca
2 scatole latta Fernet Branca nuove
Scatola in latta Jack Daniels
Scatola latta Jack Daniel's nuova, misure 26x8,3x8,5 cm
Cintura militare con giberne
Cintura militare con 2 giberne, ancora perfetta, lunghezza max circa 110cm, altezza 6cm
Interuttore Zeus Rapizzi anni 60
Interuttore vintage marca Zeus Rapizzi 1956/1960
Action figure vintage 2005
Action figure 2005 Mega Bloks Mag Warriors Hawkblade completo, Altezza 11cm, senza scatola. moltissimi articoli sul mio profilo.
Cd vintage Radio Deejay RADIONAUTA 1
Cd vintage RADIONAUTA 1 anno 1995
Piatto Roma Colosseo
Piatto in resina con Colosseo in rilievo leggere sbeccatura sul bordo
Limousine Majorette scala 1/32
Limousine scala 1/32 marca Majorette lunghezza 23cm. Molti altri articoli sul mio profilo
Modellino Tank Transporter k-106
Matchbox size "Battle Kings" Tank Transporter K-106 lunghezza 26cm
Diorama aereo caduto
Diorama autocostruito su tronco di castagno raffigurante un piccolo areo caduto in uno stagno. Dimensioni H 11cm x 22cm x 22cm circa
Personaggi ovetti kinder
12 personaggi ovetti Kinder, giraffe, gnomi e altro
Action figure REY Guerre Stellari
Action figure REY Guerre Stellari Completamente snodata altezza 14cm
Set portapenne Legami, barattolo + espositore
Set di 2 portapenne: -1 espositore a ripiani per penne cancellabili Legami -1 barattolo con logo Legami per penne o accessori di qualsiasi tipo Penne NON incluse.
Set portapenne Legami: barattolo + espositore
Set di 2 portapenne: -1 espositore a ripiani per penne cancellabili Legami -1 barattolo con logo Legami per penne o accessori di qualsiasi tipo Penne NON incluse.
Set portapenne Legami: barattolo + espositore
Set di 2 portapenne: -1 espositore a ripiani per penne cancellabili Legami -1 barattolo con logo Legami per penne o accessori di qualsiasi tipo Penne NON incluse.
Set portapenne Legami: barattolo + espositore
Set di 2 portapenne: -1 espositore a ripiani per penne cancellabili Legami -1 barattolo con logo Legami per penne o accessori di qualsiasi tipo Penne NON incluse.
Lotto 6 Goofi Egan Decorazioni Natalizie
Lotto di 6 decorazioni natalizie a forma di gufo, stile Goofi Egan. - Personaggi a tema natalizio. - Ideali per addobbare l'albero di Natale o come segnaposto per la tavola.
Campanelle Disney Set 5 Pezzi
Set di 5 campanelle natalizie Disney. - Campanella con Minnie (introvabile) - Campanella con Winnie the Pooh - Campanella con Stitch - Campanella con Pluto - Campanella con Ariel Tutte in condizioni perfette, tenute in esposizione in vetrina.
Coppia di musicisti Capodimonte
Raffinata coppia di musicisti in ceramica Capodimonte. Le figure sono finemente decorate con dettagli dorati. - Realizzati in ceramica di alta qualità. - Decorazioni in oro zecchino. - Design classico e raffinato.
SKIFIDOL BRAINROT Collezione Carte + Album
Collezione di carte SKIFIDOL ITALIAN BRAINROT completa di: - Album con copertina. - 1 carta rara "Boomerauro Rex". - 97 carte varie della collezione - 62 doppie utili per essere scambiate
Quadro Jack Daniel's Wildberry Jack
Quadro decorativo ispirato all'iconica marca Jack Daniel's, con la grafica Wildberry Jack. - Design Country Cocktails. - Dimensioni: 1.75L. - Dettagli Jack Daniel Distillery, Lemmotlow, Proprietor.
Quadro Coca Cola Delicious and Refreshing
Quadro rotondo a tema Coca Cola, con la scritta Delicious and Refreshing. - Bella decorazione da appendere sia in casa che in locali/pub - Totalmente in legno -cm 44
Kung Fu Panda Action Figures
Set di action figure ispirate al film Kung Fu Panda. Perfette per i fan della saga. - Personaggio Tigre. - Personaggio Uccello. - Base di supporto rossa inclusa.
Collezione Coltelli Fantasy
Bellissimo coltello decorativo , perfetto per collezionisti. Pezzo, montato su un supporto in legno. I coltelli presentano una finitura elegante e dettagli intricati. - Include coltello e un supporto. - Design elegante e dettagliato. - Perfetto per collezionisti.
Coltello Fantasy Collezione
Bellissimo coltello da collezione, dal design elegante e accattivante. - Lama in acciaio inossidabile. - Manico lavorato con dettagli intricati. - Montato su un supporto in legno pregiato.

Pugnale Fantasy Collezione
Bellissimo pugnale da collezione, in stile fantasy. Un pezzo unico per gli amanti del genere! - Realizzato in metallo con finiture argentate. - Presenta dettagli intricati e un design accattivante. - Include un supporto in legno scuro per l'esposizione.





































































































































































































































































