Ricambi auto e accessori di seconda mano Belpasso
Novità

Carter motore peracchi
Carter motore per scooter. - Carter motore in alluminio. - Carter motore completo di ventola e campana frizione.
Specchietti moto universali
Vendo specchietti per moto nuovi, causa doppio acquisto
Paramani Acerbis
paramani universali
Minigonne Alfa 75 2.0 Twin Spark
minigonne Alfa 75 2.0 Twin Spark usate complete di tappi e viti originali
Pomello cambio 5 marce auto
Vendo pomello cambio a 5 marce per auto,mai usato condizioni colore nero con dettagli argentati. - Perfetto per sostituire un pomello cambio usurato o danneggiato. - Design classico ed elegante. - Facile da installare.
Antifurto bloccasterzo
Antifurto asta bloccasterzo regolabile,blocca pedale volante auto
Pomello cambio Fiat Panda 5 marce
Pomello del cambio per Fiat Panda, con schema a 5 marce più retromarcia. - Design sferico. - Colore grigio scuro. - impugnatura ruvida alta qualita
Valvola tergicristallo Fiat Lancia Alfa Jeep
Valvola per il sistema tergicristallo. Fiat alfa lancia - Componente in plastica nera. - Dotata di attacchi per tubi flessibili.
Centralina spinterogeno Fiat Panda Uno 4x4 bkl4
Centralina per accensione motore Fiat. - Compatibile con Fiat Panda e Fiat Uno. - Adatta anche per modelli Panda 4x4. Tipo fiat 600 lancia y Y10 ecc

Kit filtri BOSCH BMW Z3 X3 Serie 1 Mini
Set di filtri BOSCH per vari modelli BMW e Mini. - Filtro aria - Filtro abitacolo - Filtro carburante -Filtro olio "Prima di ordinare il kit filtri auto, ti preghiamo di inviarci il numero di targa o telaio del tuo veicolo per fornirti un preventivo personalizzato. Il prezzo dell'annuncio potrebbe variare in base alle specifiche del tuo veicolo. Per tutti gli altri ricambi non menzionati, non esitare a chiedere per ricevere un preventivo personalizzato. Grazie!"
Capotta Suzuki Samurai SJ413/SJ410
Vendo capotta per Suzuki Samurai SJ413 e SJ410 Santana - Colore nero. - Tessuto resistente. - Include finestrini laterali.

Coppe ruota copricerchi Fiat Punto 176
Vendo 4 coppe ruota nuove per Fiat Punto 176. Sono di colore grigio argento e presentano un design semplice ed elegante. - Perfette per sostituire quelle vecchie o danneggiate. - In ottimo stato, mai usate.
Distanziali Ruote Suzuki Samurai 4x4 vitara
Vendo set di 4 distanziali per ruote, perfetti per Suzuki Samurai (SJ413, SJ410, Vitara). Sono in ottime condizioni, nuovi e pronti per essere montati. - Adatti a Suzuki Samurai SJ413 e SJ410, e Vitara. - Realizzati in alluminio. - Include 4 distanziali.
Viti plastica fanali Fiat 128 127 131 bianche
Vendo viti in plastica per fanali, compatibili con Fiat Uno, 128, 127 e 131. Sono in buone condizioni, trasparenti e di colore chiaro. - 10 viti in totale - Materiale: plastica trasparente e metallo - Adatte a diversi modelli Fiat

Copricerchi Renault Clio/Twingo megane cercchio 13
Vendo 4 copricerchi per Renault Clio e Twingo. Sono in buone condizioni, di colore argento e presentano il logo Renault. Ideali per sostituire quelli vecchi o danneggiati. - Perfetti per Renault Clio e Twingo megane - Colore argento - Logo Renault - Buone condizioni
Filtro olio BMW - 11428507683 mini cooper 56
Vendo filtro olio BMW originale, codice 11 42 8 507 683. Perfetto per modelli BMW serie 1 (F20, F21), serie 3 (E90, F30, F80) x4 x3 x5 x6 e Mini Cooper R56. - Nuovo, mai usato. - Incluso nella confezione originale BMW. - Made in Austria. Prima dell'ordine chiedere la compatibilita fornendo il numero di tealio "Prima di ordinare il kit filtri auto, ti preghiamo di inviarci il numero di targa o telaio del tuo veicolo per fornirti un preventivo personalizzato. Il prezzo dell'annuncio potrebbe variare in base alle specifiche del tuo veicolo. Per tutti gli altri ricambi non menzionati, non esitare a chiedere
Interruttore alzacristalli Fiat Palio sinistro
Disponibile interruttore alzacristalli elettrico per Fiat Palio, lato guida. - Interruttore per finestrino lato sinistro. - Colore nero. 6pin
Pulsante alzacristalli Fiat Stada palio siena
Disponibile pulsante alzacristalli per Fiat Stada, Palio o Siena. Il pezzo è nero e nuovo - Pulsante lato destro - Compatibile con Fiat Stada, Palio e Siena
Interruttore Alzacristallo suzuki alto vitara scud
Disponibile interruttore alzacristallo elettrico Alzacristallo Interruttore Alzacristallo Elettrico per Suzuki per Alto 1995 per Suzuki per Escudo per Vitara 37995-77A00-T01 3799577A00T01 37995-77A00
Interruttore alzacristallo elettrico samfer 131
Disponibile interruttore elettrico alzacristalli per auto. - Interruttore per finestrino elettrico lato guida. - Colore nero. - In buone condizioni estetiche. Interruttore alzacristallo elettrico sinistro Samfer Pride 131 e 132
Booster jump avviatore emergenza campeggio torcia
Avviatore starter booster pawerbank lampada da campeggio emergenza litio
Viti fanali arancio ambra per auto epoca fari
Viti 10 viti fanali fiat auto epoca 128 127 Alfa renault lancia ecc..
Coppe ruota copri ruote fiorino qubo 14"
Coppe ruote 4 pezzi fiorino qubo
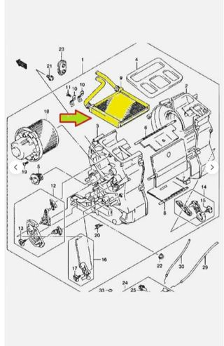
Radiatore stufa riscaldamento Suzuki jimny 4x4
Radiatore stufa suzuki jimny per riscaldamento abitacolo
Scritta logo fiat 500 92 cinquecento
Logo freggio emblema fiat 500
Catene auto
catene auto da neve, misure in foto si prega di “leggere bene”. Nuove Mai utilizzate
Specchietto retrovisore
Specchietto retrovisore auto per Fiat Uno e simili..

Copriruota peugeot 208 107 copricerchio 14 3008
4 copriruota peugeot 208 2008 3008 borchie riparoruota 205 308 107 diametro 14
4 coppe ruota copriruote peugeot 206 208 2008 3008
4 copriruota cerchione peugeot 15 pollici nere
Ammortizatori anteriori e pos Suzuki gran vitara 2
4 ammortizatori anteriori e posteriori Suzuki gran vitara dal 2005 benzine e disel anteriori marelli posteriori kamoka massumo confort e stabilita accoppiata vincente
Ammortizatori posteriori suzuki gran vitara 2005
2 ammortizatori posteriori suzuki grand vitara 2005 3 e 5 porte
Anmortizzatori anteriori suzuki gran vitara 2005
Coppia ammortizzatori anteriori suzuki gran vitara 2 anno 2005
Sollevamento suzuki gran vitara II 2005 PIU 5CMM
Kit rialzo suzuki gran vitara II 2005 piu 5cm ortimo facile montaggio
Viti per fanali auto epoca rosse auto storiche
10 viti auto d'epoca storiche rosse stop preccie
Serratura posteriore diat 500 l f r cofano post
Serratura posteriore fiar 500 f l rserratura cofano
Compressore 12v per auto moto con manometro bici
Compressore auto moto bici pallone molto potente con manometro
Copri ruota fiat 500 4 pezzi coppe ruota in lega
4 copri mozzo cerchioni fiat 500 cerchioni in lega
Tubo ingresso acqua radiatore suzuki vitara 1.6 8v
Tubo acqua motore suzuki vitara dal 89 in poi 1.6 8 valvole. Per informazioni e compatibilita fornire il numero di telaio.
Interuttore alzacristalli peugeot 208 anteriore sx
Pulsantiera alzacristalli peugeot 208 anteriore sx
Trombe fiamm 12v auto epoca e moderne kit
Kit trombe 12v fiamm per auto nuove e auto d'epoca complete di rele
Marmitta fiat 500 L F epoca tipo record monza
marmitta sportiva record monza Abarth scarico da 60 fiat 500 L f
Telerutore generale iveco 4855754 scuolabus daily
telerutore generale scuolabus 12v iveco daily
Alfa 147 ricambi fari stop frizione radiatore fren
alfa 147 ricambi richiedi preventivo personalizato

Coppa ruota nissan micra k12 copri ruota cover
kit 4 copriruota coppe ruota cover nissan micra k12 misura 15''
Riparo leva cambio fiat cinquecento anno 92 cover
copertura cambio fiat cinquecento 92
Fanale post dx nissan micra k12 26554ax720 stop
fanale stop posteriore dx nissan micra k12 26554ax720 ..
suzuki vitara ly 2015 > 2019 molla gas puntello
molla gas puntello posteriore vitara 2015 2019
multijet 1.3 alternatore generatore panda punto
alternatore originale 1.3 multijet panda punto idea strada ypsilon
Chiave cove renault 3 tasti guscio
chiave cover renault
Manometro pressione ruote pneumatici pressione
manometro gonfiaggio pneumatico auto ruote
porta fusibili fiat 500 L R F 126 Storica epoca
porta fusibbili fiat 500 f l r epoca con fusibbili
Fanali fiat 500 l f epoca fari stop frecce bianco
kit completo fari stop bianco fiat 500 epoca
Fiat 500 F L R kit fanali fari stop frecce targa
kit completo restauro ganali fiat 500 F L R ALTA QUALITA STOP FARI FRECCE LUCETARGA FANALI ANTERIORI E TUTTE LE LAMPADE
Fiat 500 F L R moquette pavimento tappeto nero
moquette pavimento tappeto fiat 500 f l r due pedane nera velluto rasato alta qualita originale
Tappeto pavimento moquette fiat 500 f l r epoca
tappeto moquette pavimento fiat 500 f l r epoca
Presa aria motore cofano panda 4x4 entrata aria
griglia cofano panda 141 4x4 entrata aria motore
tappeto pavimento Moquette fiat panda 4x4 Sisley
moquette fiat panda 4x4 Sisley COUNTRY
Fanali posteriori pajero 83 Mitsubishi lo stop
Mitsubishi pajero lo fanali stop posteriori coppia
Mitsubishi Pajero 4 distanziali ruote in allumineo
Mitsubishi Pajero 4 distanziali ruote pe allargamento careggiata
Gancio spazzola tergicristallo panda 4x4 originale
panda 4x4 gancio tergicristallo anteriore panda 141 originale
Bracco tergicristallo anteriore fiat pana 141 4x4
braccio tergicristallo anteriore panfa 141 completo di gancio
Panda 4x4 kit rialzo sollevamento sospensione
kit rialzo panda 4x4 teflon anterioe w posteriore
Panda 4x4 kit sollevamento rialzo spessori assetto
kit rialzo panda4x4 141
Pompa carburante benzina autobianchi 112 abarth
pompa benzina carburante autobianchi 112 Abarth
Motorino tergicristallo anteriore fiat punto 176
motorino tergicristallo punto 176 1991> prima serie
Vaschetta radiatore fiat panda 4x4 46438164 fire
vaschetta acqua radiatore fiat panda 4x4 Sisley COUNTRY 750 fire
Distanziali ruota Toyota land cruiser ilux spessor
distanziali ruota spessori Toyota landcruiser hilux

Fiat panda 4x4 750 fire pavimento moquette tappeti
panda 4x4 Sisley COUNTRY kit pavimento completo
Panda 141 tappeto baule posteriore cofano moquette
tappeto baule posteriore cofano panda 141 in moquette
Bloccasterzo fiat grande punto in plastica oe fiat
bloccasterzo Fiat grande punto evo originale completo 3 cilindretto e chiavi
Bloccasterzo antifurto fiat grande punto originale
antifurto bloccasterzo fiat grande punto originale
Distanziali ruote toyota landcruiser con centaggio
4 distanziali ruota Toyota landcruiser

Copriruota Chevrolet tri five 1955 coppe ruote
4 coppe ruota Chevrolet
Indicatore di direzione ant Fiat 500 l f r bianco
completo fiat 500 F L R
Lente fanale ant fiat 500 f l r bianca direzione
fanale anteriore fiat 500 f l r coppia
Chiere maniglia apri porta fiat 500 F L R 128 127
ghiere maniglie apri porta fiat 500 f l r 127 128 epoca coppia

kit 4 coppe ruota copri ruota lancia ypsilon 15''
4 coppe ruota lancia 15 pollici
Cover guscio chiave mercedes classe a b 2 tasti
guscio cover chiave mercedes 2 tasti

Catene da neve per tutte le auto a misura montagna
catene da neve su misura dopo l'acquisto fornire la misura della ruota











































































































































































































































































































































































